fbpx

Ваш код клієнта: 882161

Кабинет дилера

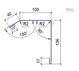
Планка вітрова - Черкассах

Призначення:
Область застосування
RAL 5005
Колір

Планка вітрова: призначення, особливості, монтаж

Планка вітрова або вітровик - це спеціальний покрівельний аксесуар у вигляді металевої планки, яка підсилює покрівельну конструкцію. Вона захищає краї покрівлі від опадів, вологи, вітру, що потрапляють під дах збоку. Встановлюють планку на торець скату.

 

Призначення планки вітрової

Дане пристосування надає даху більш привабливий і закінчений зовнішній вигляд, але при цьому також грає важливу захисну функцію:

  • Сильний бічний вітер легко може пошкодити і навіть зірвати дахове покриття. А вітровики на дах будинку знижують інтенсивність вітру.
  • Довгостроковість ефективної роботи «покрівельного пирога» безпосередньо залежить від якості захисту дерев'яних елементів від вологи. Планка перешкоджає попаданню під обрешітку атмосферних опадів.
  • Для запобігання проникненню дрібних птахів, комах в горищне приміщення.
  • Вітровик забезпечує найкраще поєднання з софітами, приховує щілини між дахом і панелями сайдінга.

Тому для надійного захисту даху варто придбати вітровики на дах будинку, ціна яких в компанії «Сталекс» відрізняється доступністю, а самі вироби - високою якістю.

 

Характеристики вітрової планки

  • Стандартні вироби виготовляють довжиною 2 метри. А ефективна довжина - 1,9 метра.
  • Ширина вітровиків буває різною, вибирають їх, виходячи з рельєфу покриття, конструкційних особливостей даху. Так вузькі планки кріплять на плоскі дахи з мінімальною хвилею і товщиною покриття. Якщо використовується металочерепиця, тоді потрібно широке виріб. Від ширини багато в чому залежить ціна вітрової планки.

Виготовляються з оцинкованої сталі, товщина якої становить 0,4-0,5 мм. Захисно-декоративне покриття, що використовується, значно збільшує термін служби вітровиків.

Монтаж можна здійснити самостійно, але слід враховувати деякі особливості.

 

Вітрова планка для профнастилу

В першу чергу, до обрешітки з торцевого боку кріпиться дерев'яний брус. До нього спеціальними саморізами в напуск прикручується вітровик, крок 40 см. Монтаж здійснюється знизу-вгору. Стики обробляють герметиком, для запобігання корозії. Краї планок закривають заглушками.

 

Вітровики для металочерепиці

Встановлюється планка після укладання покрівельного покриття, а також кріплення карнизів, водостоків. Монтують на хвилю вище, ніж рівень обрешітки. Для забезпечення якісної герметизації застосовують ущільнювач. З'єднують планку з металочерепицею саморізами. Рівень напуску становить в середньому 50 см.

Купити планку вітрову за оптимальною ціною можна у нас на сайті. А можна звернутися в наше офіційне представництво або до партнерів, які працюють по всій Україні і не тільки. Їх адреси знаходяться в розділі «Де купити».

Планка вітрова
Тип1
 full vetr tape1  planka veter 1
Планка вітрова
Тип2
 full vetr tape1  planka veter 2
Планка вітрова
Тип3
 full vetr tape1  planka veter 3
Планка вітрова
Тип4
 full vetr tape1  planka veter 4
Планка вітрова
Тип6
 full vetr tape1  planka veter 6

Інформація

Планка вітрова: призначення, особливості, монтаж

Планка вітрова або вітровик - це спеціальний покрівельний аксесуар у вигляді металевої планки, яка підсилює покрівельну конструкцію. Вона захищає краї покрівлі від опадів, вологи, вітру, що потрапляють під дах збоку. Встановлюють планку на торець скату.

 

Призначення планки вітрової

Дане пристосування надає даху більш привабливий і закінчений зовнішній вигляд, але при цьому також грає важливу захисну функцію:

  • Сильний бічний вітер легко може пошкодити і навіть зірвати дахове покриття. А вітровики на дах будинку знижують інтенсивність вітру.
  • Довгостроковість ефективної роботи «покрівельного пирога» безпосередньо залежить від якості захисту дерев'яних елементів від вологи. Планка перешкоджає попаданню під обрешітку атмосферних опадів.
  • Для запобігання проникненню дрібних птахів, комах в горищне приміщення.
  • Вітровик забезпечує найкраще поєднання з софітами, приховує щілини між дахом і панелями сайдінга.

Тому для надійного захисту даху варто придбати вітровики на дах будинку, ціна яких в компанії «Сталекс» відрізняється доступністю, а самі вироби - високою якістю.

 

Характеристики вітрової планки

  • Стандартні вироби виготовляють довжиною 2 метри. А ефективна довжина - 1,9 метра.
  • Ширина вітровиків буває різною, вибирають їх, виходячи з рельєфу покриття, конструкційних особливостей даху. Так вузькі планки кріплять на плоскі дахи з мінімальною хвилею і товщиною покриття. Якщо використовується металочерепиця, тоді потрібно широке виріб. Від ширини багато в чому залежить ціна вітрової планки.

Виготовляються з оцинкованої сталі, товщина якої становить 0,4-0,5 мм. Захисно-декоративне покриття, що використовується, значно збільшує термін служби вітровиків.

Монтаж можна здійснити самостійно, але слід враховувати деякі особливості.

 

Вітрова планка для профнастилу

В першу чергу, до обрешітки з торцевого боку кріпиться дерев'яний брус. До нього спеціальними саморізами в напуск прикручується вітровик, крок 40 см. Монтаж здійснюється знизу-вгору. Стики обробляють герметиком, для запобігання корозії. Краї планок закривають заглушками.

 

Вітровики для металочерепиці

Встановлюється планка після укладання покрівельного покриття, а також кріплення карнизів, водостоків. Монтують на хвилю вище, ніж рівень обрешітки. Для забезпечення якісної герметизації застосовують ущільнювач. З'єднують планку з металочерепицею саморізами. Рівень напуску становить в середньому 50 см.

Купити планку вітрову за оптимальною ціною можна у нас на сайті. А можна звернутися в наше офіційне представництво або до партнерів, які працюють по всій Україні і не тільки. Їх адреси знаходяться в розділі «Де купити».

Асортимент

Планка вітрова
Тип1
 full vetr tape1  planka veter 1
Планка вітрова
Тип2
 full vetr tape1  planka veter 2
Планка вітрова
Тип3
 full vetr tape1  planka veter 3
Планка вітрова
Тип4
 full vetr tape1  planka veter 4
Планка вітрова
Тип6
 full vetr tape1  planka veter 6
Ціна: 0.00 EUR